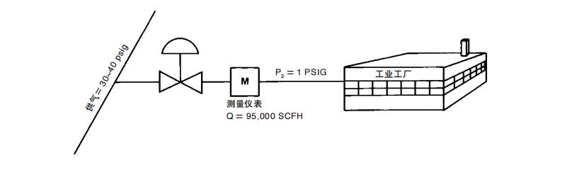
问题实例:工业工厂供气 我们要讲的第一个问题是选择输送减压后的天然气 的调压器以满足小型工业工厂的需要。
调压后的气 体在进入工厂以前将进行测量。
选择参数包括:
● 最小入口压力,P1min = 30 psig
● 最大入口压力,P1max = 40 psig
● 出口压力设定值,P2 = 1 psig
● 流量,Q = 95,000 scfh ● 精确度,压降幅度= 10%或更小
快速选择指南
翻阅天然气章节的介绍。找到商业/工业快速选择指 南。从指南上可以看到,可以选择的调压器有三种: ● 133 型 ● 1098-EGR 型 ● 99 型
产品介绍
快速选择指南上的产品编号下是产品介绍的页码。 查看每种可选调压器的流动流量。从产品介绍中, 我们可以看到:
● 当入口压力为 30 psig,压降幅度为 10%时,133 型调压器具有较低的流量 90,000 scfh。这种调压 器不能满足所要求的流动流量。
● 当入口压力为 30 psig 时,1098-EGR 型调压器具 有流量131,000 scfh。通过查看比例带(压降幅度) 表,我们可以看到具有黄色指挥弹簧和绿色主体 阀的 6352 型指挥器其压降幅度为0.05 psig。这种 调压器满足流量要求。
● 当入口压力为30 psig时,99型调压器具有较低的 流量- 39,000 scfh。这种调压器也不能满足所要 求的流动流量。
最后选择
我们最后确定1098-EGR型调压器满足选择标准。
